×

Productos

    Abrir menu

    GEBERIT SAU

    Plaza Europa, 2-4, 6ª Planta
    08902 HOSPITALET DE LLOBREGAT (Barcelona)

    SOLICITAR PRESUPUESTO/INFORMACIÓN
    X

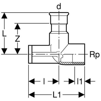
    Codo de conexión 90° Geberit serie Mapress Acero Inoxidable escalonado: d=22mm, Rp=3/4″, L1=6.5cm

    33427
    SELECCIONAR PRODUCTO
    APLICACIONES
    • Para agua potable fría y caliente
    • Para agua fría y de calefacción sin anticongelante
    • Para agua fría y de calefacción con anticongelante
    • Para agua de calefacción urbana ≤ 120 °C
    • Para vapor saturado ≤ 120 °C
    • Para agua depurada
    • Para aguas pluviales con valor pH > 6,0
    • Para aguas negras y grises con un valor pH > 6,0
    • Para redes de extinción de incendios (húmedas)
    • Para redes de extinción de incendios (húmedas/secas, secas)
    • Para aspersores (húmedo)
    • Para productos químicos y fluidos técnicos
    • Para aire comprimido (clase de pureza de aceite 0–3)
    • Para presión negativa
    • Para gases inertes (p.ej. nitrógeno)
    • Para gases industriales (p.ej. acetileno, gases de protección de soldaduras)
    • Para aplicaciones sanitarias y calefacción, industria y construcción naval
    PROPIEDADES
    • Indicador de compresión
    • No estanca si no está comprimida
    • Dos puntos de sujeción
    • Junta tórica de CIIR negro
    • Manguito de compresión con tapón de protección trasparente
    ×
    Filtros
    Visualizar en modo Cuadrícula Visualizar en modo Listado
    anterior
    página de
    siguiente
    Las cookies nos permiten ofrecer nuestros servicios de forma más rápida y personalizada. Al acceder y continuar navegando en esta web acepta el uso de cookies. Para más información, lea nuestra Política de cookies
    Aceptar
    X

    Suscríbete!

    56.000 usuarios

    ya reciben toda la actualidad de la
    Arquitectura, Ingeniería y Construcción

    SUSCRÍBETE