×

Productos

    Abrir menu

    GEBERIT SAU

    Plaza Europa, 2-4, 6ª Planta
    08902 HOSPITALET DE LLOBREGAT (Barcelona)

    SOLICITAR PRESUPUESTO/INFORMACIÓN
    X

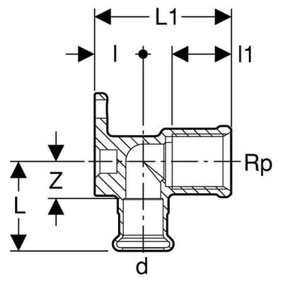
    Codo de suministro 90° Geberit serie Mapress Cobre: CC499K, d=15mm, Rp=1/2″, L1=3.6cm

    63459
    SELECCIONAR PRODUCTO
    APLICACIONES
    • Para agua potable fría y caliente
    • Para agua fría y de calefacción sin anticongelante
    • Para agua fría y de calefacción con anticongelante
    • Para agua de calefacción urbana ≤ 120 °C
    • Para aire comprimido (clase de pureza de aceite 0–3)
    • Para presión negativa
    • Para gases inertes (p.ej. nitrógeno)
    • Para aplicaciones sanitarias y calefacción, industria y construcción naval
    PROPIEDADES
    • Indicador de compresión
    • No estanca si no está comprimida
    • Tres puntos de sujeción
    • Junta tórica de CIIR negro
    • Manguito de compresión con tapón de protección trasparente
    ×
    Filtros
    Visualizar en modo Cuadrícula Visualizar en modo Listado
    anterior
    página de
    siguiente
    Las cookies nos permiten ofrecer nuestros servicios de forma más rápida y personalizada. Al acceder y continuar navegando en esta web acepta el uso de cookies. Para más información, lea nuestra Política de cookies
    Aceptar
    X

    Suscríbete!

    56.000 usuarios

    ya reciben toda la actualidad de la
    Arquitectura, Ingeniería y Construcción

    SUSCRÍBETE